EXP:Bestimmung des Planckschen Wirkungsquantums mit einer Fotozelle (Strommessung)
In diesem Versuch wird mit der Gegenfeldmethode an einer Fotozelle das Plancksche Wirkungsquantum bestimmt, indem der durch den Fotoeffekt entstehende Stromfluss abhängig von der Gegenspannung an der Fotozelle gemessen wird.
Eine weitere Methode ist die Bestimmung des Planckschen Wirkungsquantums über eine Spannungsmessung an einer Kondensatorschaltung. Diese wird auf dieser Wiki-Seite beschrieben.
Versuchsanleitung
Benötigtes Material
- Fotozelle (hier wurde eine Phywe Fotozelle verwendet)
- LED (hier wurde die Thorlabs MCWHLP1 LED mit dem Thorlabs LEDD1B LED-Driver verwendet)
- Interferenzfilter
- Koaxialkabel mit Adapter
- Entweder
- Agilent B2900 Series Messgerät
- Oder alternativ (in der Schule hat man kein solches Agilent-Gerät)
- Spannungsmessgerät
- Spannungsnetzgerät für das Gegenfeld
- Steckboard und Steckkabel
- Bananenkabel
- Transimpedanzwandler
Für den Transimpedanzwandler:
- Operationsverstärker (hier wurde das Modell LF411 verwendet)
- Spannungsnetzgerät für die Betriebsspannung des Operationsverstärkers
- Widerstand (10 MΩ)
Versuchsaufbau
- Schritt 1
- Die Fotozelle und die LED werden aufgebaut. Die optischen Filter werden wie auf dem Bild ganz oben in den Strahlengang gestellt.
- 1. Mit Agilent B2900 Series
- Schritt 2
- Die Fotozelle wird mit einem Koaxialkabel an das Gerät angeschlossen ("Force" und "Low Force" Anschluss benutzen). Mit dem Gerät kann man die Gegenspannung erzeugen und parallel den Strom messen. (Siehe hier für das Manual.)
- Schritt 3
- Für verschiedene Wellenlängen wird die Gegenspannung gemessen, bei der kein Strom mehr fließt.
- 2. Alternativ mit Transimpedanzverstärker

- Schritt 2
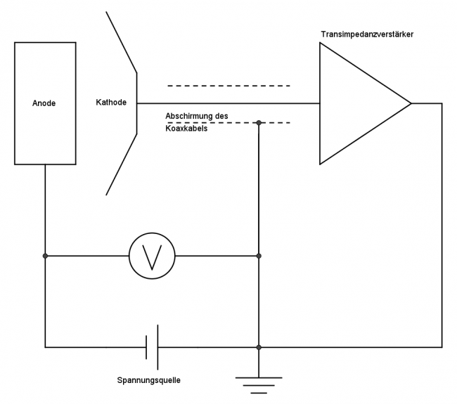
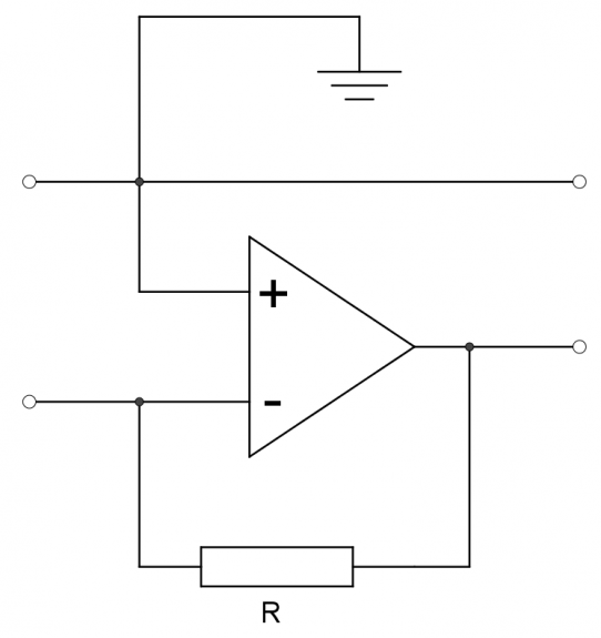
- Der unten im ersten Bild gezeigte Schaltkreis wird aufgebaut. Dazu muss zusätzlich der Transimpedanzverstärker unten im zweiten Bild aufgebaut werden. Zu beachten ist, dass hier der Anschluss der Betriebsspannung des Operationsverstärkers nicht eingezeichnet ist. Praktisch ist es, für die Betriebsspannung wie im Bild rechts eine Spannungsquelle zu verwenden, die die Spannung symmetrisch liefert.
- Schritt 3
- Für jeweils einen Wellenlängen-Filter wird gemessen, bei welcher Gegenspannung kein Strom mehr fließt.
Auswertung


Die Energie der Photonen, die auf die Fotozelle treffen, ist gleich der Austrittseneergie der Elektronen aus dem Kathodenmaterial plus der kinetischen Energie dieser Elektronen nach dem Austritt. Die Energie eines Photons ist und die kinetische Energie wird durch die Gegenspannung gemessen, die dafür sorgt, dass gerade keine Elektronen mehr die Anode erreichen können. Dann gilt .
(Geradengleichung)
Wenn man also die mit der Elektronenladung multiplizierte Gegenfeldspannung, bei der kein Strom mehr fließt, gegen die jeweilige einfallende Lichtfrequenz plottet, dann erhält man eine Gerade, deren Steigung das Plancksche Wirkungsquantum ist.
Unsere eigenen Messergebnisse werden im Folgenden ausgewertet.
- 1. Mit Agilent B2900 Series
Wie rechts im ersten Bild zu sehen, messen wir hier .
Mit dem Literaturwert [1] ergibt sich damit ein Fehler von circa 15,8%.
- 2. Alternativ mit Transimpedanzverstärker
Beim Ausgang des Transimpedanzverstärkers hat man eine Ausgansspannung proportional zum Eingangsstrom gemäß .
Die Messung auf diese Weise ist relativ ungenau, da sich die Gegenspannung nur so grob einstellen lässt, dass man am Transimpedanzverstärker nur ungefähr eine Spannung von 0 V messen kann.
Unsere Messergebnisse sind rechts im zweiten Bild dargestellt. Die Ausgleichsgerade ergibt einen Wert von .
Mit dem Literaturwert ergibt sich damit ein Fehler von circa 13,2%.
Mögliche Probleme und ihre Lösungen
Beim Einbauen des Transimpedanzverstärkers muss der Plus-Anschluss des Operationsverstärkers an denselben Ground angeschlossen werden wie beim Rest der Schaltung.
Beachte das Datenblatt des Operationsverstärkers für die Anschlüsse und die zulässige Betriebsspannung. Außerdem sollte das Rauschen des Operationsverstärkers relativ niedrig sein, da man den Strom im Nanoampere-Bereich messen muss.
Auch wenn der LEDD1B LED-Driver normalerweise keine zu hohe Stromstärke erlaubt (außer jemand dreht am hinteren Regler), sollte die Betriebsanweisung beachtet werden und nochmal sichergestellt werden, dass der Strom nicht zu hoch für die verwendete LED eingestellt ist.
Beachte das Spektrum der Thorlabs-LED (oder der alternativ verwendeten LED): nicht jede Wellenlänge wird ausreichend ausgestrahlt. Für Messungen bei Wellenlängen im IR-Spektrum kann stattdessen eine Halogen-Lampe verwendet werden.
Fotos
-
Aufbau der Fotozelle mit LED und Filter.
-
Messung mit dem Agilent-Gerät. Zur Sicherheit wird hier ein Stromlimit festgelegt.
-
Aufbau der Strommessung mit Transimpedanzverstärker.
-
Schaltkreis der Strommessung ohne Transimpedanzverstärker.
-
Schaltkreis des Transimpedanzverstärkers. Zu beachten ist, dass hier der Anschluss der Betriebsspannung des Operationsverstärkers nicht eingezeichnet ist.
-
1. Plot der Photonenenergie gegen die Lichtfrequenz für die Messung mit dem Agilent-Gerät. Die Steigung der Ausgleichsgeraden gibt das Plancksche Wirkungsquantum.
-
2. Plot der Photonenenergie gegen die Lichtfrequenz für die Messung mit dem Transimpedanzverstärker. Die Steigung der Ausgleichsgeraden gibt das Plancksche Wirkungsquantum.
Literatur
- ↑ Wikipedia-Eintrag Plancksches Wirkungsquantum, abgerufen am 24. März 2022.
Universität Stuttgart, 5. Physikalisches Institut, AG Physik und ihre Didaktik, lizenziert unter CC BY-NC-SA 4.0
