EXP:Bestimmung der Erdbeschleunigung mit einem Arduino
In diesem Experiment soll der Ortsfaktor über die Fallzeit eines Objekts bestimmt werden. Das Objekt wird dazu an einem Elektromagneten aufgehängt und durch eine Lichtschranke fallen gelassen. Die Steuerung des Magneten und die Zeitmessung erfolgt mit Hilfe eines Arduinos. Als Ziel wird eine Genauigkeit von 2 % Abweichung vom Literaturwert angepeilt.
Versuchsanleitung
Benötigtes Material
- Elektromagnet
- Arduino
- Netzgerät
- Steckboard
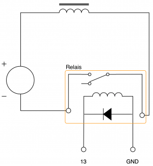
- Reed-Relais
- Laptop
- Photodiode
- Laser
- Maßband
- Vorwiderstand
- magnetisierbares Objekt zum fallen lassen
- Verschiedene Kabel
- Stativmaterial als Aufhängung für den Magneten und Ständer für die Komponenten der Lichtschranke
- Karton mit Polsterung als Auffangwanne
Versuchsaufbau
- Schritt 1
- Der Elektromagnet wird mit Hilfe des Stativs erhöht angebracht.
- Schritt 2
- Ca. 1,2 m unterhalb des Magneten wird die Lichtschranke so aufgebaut, dass das Objekt möglichst genau zentral hindurchfallen kann.
- Schritt 3
- Der Elektromagnet wird eingeschaltet und das Fallobjekt angehängt. Die Distanz zwischen der Unterkante des Testobjekts und der Lichtschranke muss mit dem Maßband so genau wie möglich gemessen werden.
- Schritt 4
- Mit Kartons und Polstermaterial eine stabile Auffangwanne unterlegen, die das Objekt sicher auffangen kann.
- Schritt 5
- Die Komponenten werden wie auf den Schaltplänen angeschlossen. Die Anschlüsse (Pins) für den Arduino sind den Schaltplänen zu entnehmen.
- Schritt 6
- Programmieren des Arduinos sodass der Elektromagnet abschaltet, das Objekt fallen lässt und die Zeitmessung startet. Mit Durchqueren der Lichtschranke soll die Zeitmessung gestoppt werden.
Versuchsdurchführung
Das Programm wird gestartet und das Objekt an dem Elektromagneten angebracht. Nachdem der Elektromagnet abschaltet, fällt das Objekt durch die Lichtschranke und der Arduino gibt die Fallzeit aus. Diese Messung wird einige Male wiederholt und der Mittelwert berechnet werden.
Auswertung
Für die Auswertung kann das fallende Objekt als freier Fall ohne Luftreibung genähert werden. Es kann somit die Formel
für die gleichmäßig beschlenigte Bewegung verwendet werden. Der Ortsfaktor berechnet sich dann also mit
.
Bei einer Strecke von wurde eine mittlere Fallzeit von gemessen. Für den Ortsfaktor berechnet sich der Wert
,
welcher um vom Literaturwert abweicht. Das Relais besitzt zudem eine Schaltzeit von ca. (produktspezifisch, zu finden im Datenblatt), welche noch berücksichtigt werden muss. Zieht man diese Schaltzeit von der Fallzeit ab, erhält man einen Ortsfaktor von ( Abweichung vom Literaturwert).
Fehlerabschätzung
Der größte Fehler liegt in der Bestimmung der Fallstrecke, da diese von Hand erfolgt. Die erforderte Genauigkeit für eine gute Messung liegt allerdings durch die hohe Beschleunigung im Millimeterbereich und sollte daher kein Problem darstellen. Alternativ zum Reedrelais kann auch ein Transistor verwendet werden. Hierbei ist der maximale Durchlassstrom zu beachten, da der Elektromagnet ggf. einen höheren Strom benötigt. Außerdem muss überprüft oder getestet werden, ob der Schaltstrom vom Arduinos ausreicht.
Mögliche Probleme und ihre Lösungen
Ist das Testobjekt zu leicht, kann es durch die Restmagnetisierung noch eine kurze Zeit an dem ausgeschalteten Elektromagneten hängen bleiben und somit die Messung deutlich verfälschen. Um diese Hystereseeffekte zu verhindern bzw. zu minimieren sollte ein schweres Objekt benutzt werden. Hierbei die Tragfähigkeit des Magneten berücksichtigen und für ausreichend Schutz durch die Auffangwanne sorgen.
Ebenso muss darauf geachtet werden, welche Spannung und Stromstärke der Elektromagnet benötigt. Dementsprechend ist das Relais zu wählen (hierbei auf Schaltzeiten achten).
Sicherheitshinweise
Auf maximale Spannung und Ströme bei den jeweiligen Bauteilen achten. Der Elektromagnet benötigt unter Umständen einen höheren Strom als ein Relais, Transistor o.ä. verträgt.
Fotos
Universität Stuttgart, 5. Physikalisches Institut, AG Physik und ihre Didaktik, lizenziert unter CC BY-NC-SA 4.0




