EXP:Bestimmung des Planckschen Wirkungsquantums mit einer Fotozelle (Strommessung): Unterschied zwischen den Versionen
8>Mwilke Keine Bearbeitungszusammenfassung |
8>Mwilke Keine Bearbeitungszusammenfassung |
||
| Zeile 74: | Zeile 74: | ||
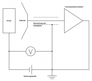
; Schritt 2 : Der rechts im ersten Bild gezeigte Schaltkreis wird aufgebaut. Dazu muss zusätzlich der Transimpedanzverstärker im zweiten Bild aufgebaut werden. | ; Schritt 2 : Der rechts im ersten Bild gezeigte Schaltkreis wird aufgebaut. Dazu muss zusätzlich der Transimpedanzverstärker im zweiten Bild aufgebaut werden. | ||
[[Datei:EXP Quantenphysik Schaltkreis Strommessung.PNG|mini|Schaltkreis der Strommessung ohne Transimpedanzverstärker.]] | |||
[[Datei:EXP Quantenphysik Schaltplan des Transimpedanzverstärkers.PNG|mini|Schaltkreis des Transimpedanzverstärkers. Zu beachten ist, dass hier der Anschluss der Betriebsspannung des Operationsverstärkers nicht eingezeichnet ist.]] | |||
; Schritt 3 : Für jeweils eine Wellenlänge wird für verschiedene Gegenspannungen der jeweilige Strom gemessen und damit herausgefunden, bei welcher Gegenspannung kein Strom mehr fließt. Das Messgerät ist hier etwas ungenau. | ; Schritt 3 : Für jeweils eine Wellenlänge wird für verschiedene Gegenspannungen der jeweilige Strom gemessen und damit herausgefunden, bei welcher Gegenspannung kein Strom mehr fließt. Das Messgerät ist hier etwas ungenau. | ||
| Zeile 118: | Zeile 119: | ||
== Mögliche Probleme und ihre Lösungen == | == Mögliche Probleme und ihre Lösungen == | ||
Treten beim Experiment häufiger Fehler auf? Bitte beschreibe sie hier. | Treten beim Experiment häufiger Fehler auf? Bitte beschreibe sie hier. | ||
Beim Anschließen des Transimpedanzverstärkers, muss der Plus-Anschluss an denselben Ground angeschlossen werden, wie der Rest der Schaltung. | |||
== Sicherheitshinweise == | == Sicherheitshinweise == | ||
Version vom 24. März 2022, 17:52 Uhr
In diesem Versuch wird mit der Gegenfeldmethode an einer Fotozelle auf zwei Weisen das Plancksche Wirkungsquantum bestimmt:
1. Der Strom wird abhängig von der Gegenspannung gemessen.
2. Die Gegenspannung, bei der kein Strom fließt, wird direkt über eine Kondensatorschaltung gemessen.
Benötigtes Material
Als Liste einfügen mit den Links zur Hardware, wenn sie sich schon im Wiki befindet. Beispiel:
Generell:
- Phywe Fotozelle
- LED (LEDD1B von Thorlabs)
- Optische Filter
- 1. Versuch mit der Strommessung
- Entweder
- Agilent B2900 Series Messgerät
- Oder alternativ (In der Schule hat man kein solches Agilent-Gerät)
- Spannungsmessgerät
- Spannungsnetzgerät für das Gegenfeld
- Steckboard
- Transimpedanzwandler
Für den Transimpedanzwandler:
- Operationsverstärker LF411
- Spannungsnetzgerät für die Betriebsspannung des Operationsverstärkers
- Widerstand (10 MΩ)
- 2. Versuch mit der Kondensatorschaltung
Versuchsaufbau
Genauere Beschreibung des Versuchsaufbaus. Hier können auch einzelne Schritte beschrieben werden. Gerne zu jedem Schritt Bilder einfügen.
- Schritt 1
- Die Fotozelle und die LED werden aufgebaut. Die optischen Filter werden wie auf dem Bild ganz oben in den Strahlengang gestellt.
- 1. Strommessung
- 1.1 Mit Agilent B2900 Series
- Schritt 2
- Die Fotozelle wird mit einem Koaxialkabel an das Gerät angeschlossen ("Force" und "Low Force" Anschluss benutzen). Mit dem Gerät kann man die Gegenspannung erzeugen und parallel den Strom messen. (Siehe hier für das Manual.)
- Schritt 3
- Für verschiedene Wellenlängen wird die Gegenspannung gemessen, bei der kein Strom mehr fließt.
- 1.2 Alternativ mit Transimpedanzverstärker

- Schritt 2
- Der rechts im ersten Bild gezeigte Schaltkreis wird aufgebaut. Dazu muss zusätzlich der Transimpedanzverstärker im zweiten Bild aufgebaut werden.
- Schritt 3
- Für jeweils eine Wellenlänge wird für verschiedene Gegenspannungen der jeweilige Strom gemessen und damit herausgefunden, bei welcher Gegenspannung kein Strom mehr fließt. Das Messgerät ist hier etwas ungenau.
- 2. Mit der Kondensatorschaltung
Auswertung
Hier sollen Diagramme, Werte und eine Fehlerabschätzung zum Experiment hin. Gegebenenfalls können hier auch Gleichungen eingebunden werden. Mathematische Ausdrücke werden durch den <math>-Tag initiiert:
Die Energie der Photonen, die auf die Fotozelle treffen, ist gleich der Austrittseneergie der Elektronen aus dem Kathodenmaterial plus die kinetische Energie dieser Elektronen nach dem Austritt. Die Energie eines Photons ist und die kinetische Energie wird durch die Gegenspannung gemessen, die dafür sorgt, dass gerade keine Elektronen mehr die Anode erreichen können. Dann gilt .
(Geradengleichung)
Wenn man also die mit der Elektronenladung multiplizierte Gegenfeldspannung, bei der kein Strom mehr fließt, gegen die jeweilige einfallende Lichtfrequenz plottet, dann erhält man eine Gerade, deren Steigung das Plancksche Wirkungsquantum ist.
Unsere eigenen Messergebnisse werden im Folgenden in die jeweiligen Versuchsteile unterteilt gezeigt.
Beim Vergleich mit Literaturwerten oder ähnlichem sollte durch die Referenzumgebung <ref> auf geeignete Quellen verwiesen werden, diese erscheinen dann auch automatisch am Seitenende.[1]
- 1. Strommessung
- 1.1 Mit Agilent B2900 Series
Wie rechts im Bild zu sehen, messen wir hier .

- 1.2 Alternativ mit Transimpedanzverstärker
Beim Ausgang des Transimpedanzverstärkers hat man eine Ausgansspannung proportional zum Eingangsstrom gemäß .
Die Messung auf diese Weise ist recht ungenau, da sich die Gegenspannung nur so grob einstellen lässt, dass man am Transimpedanzverstärker nur ungefähr eine Spannung von 0 V messen kann.
Unsere Messergebnisse sind rechts im Bild dargestellt. Die Ausgleichsgerade ergibt einen Wert von .

Mögliche Probleme und ihre Lösungen
Treten beim Experiment häufiger Fehler auf? Bitte beschreibe sie hier.
Beim Anschließen des Transimpedanzverstärkers, muss der Plus-Anschluss an denselben Ground angeschlossen werden, wie der Rest der Schaltung.
Sicherheitshinweise
Hier nötige Sicherheitshinweise notieren. Ggf. Betriebsanweisung verlinken.
Fotos
Am Ende des Dokuments kommt eine Galerie aller Bilder, die zu diesem Experiment unter dem Namensraum "Datei:" bereits vorhanden sind. Im Allgemeinen lohnt es sich häufig auch, bereits bestehende Texte und deren Syntax zu betrachten:
<div class="row">
<div class="large-4 large-centered columns">
<ul class="example-orbit" data-orbit>
<li>
[[Datei:Bild.png|slide 1]]
<div class="orbit-caption">
Bildbeschreibung
</div>
</li>
</ul>
</div>
</div>
Literatur
- ↑ Website Abteilung Physik und ihre Didaktik Abgerufen am 31.08.2021
Dieses Werk ist lizenziert unter einer Creative Commons Namensnennung - Nicht-kommerziell - Weitergabe unter gleichen Bedingungen 4.0 International Lizenz.

